- Chuyển phát nhanh
- Đảm bảo chất lượng
- Dịch vụ khách hàng 24/7
Giơi thiệu sản phẩm
Giới thiệu
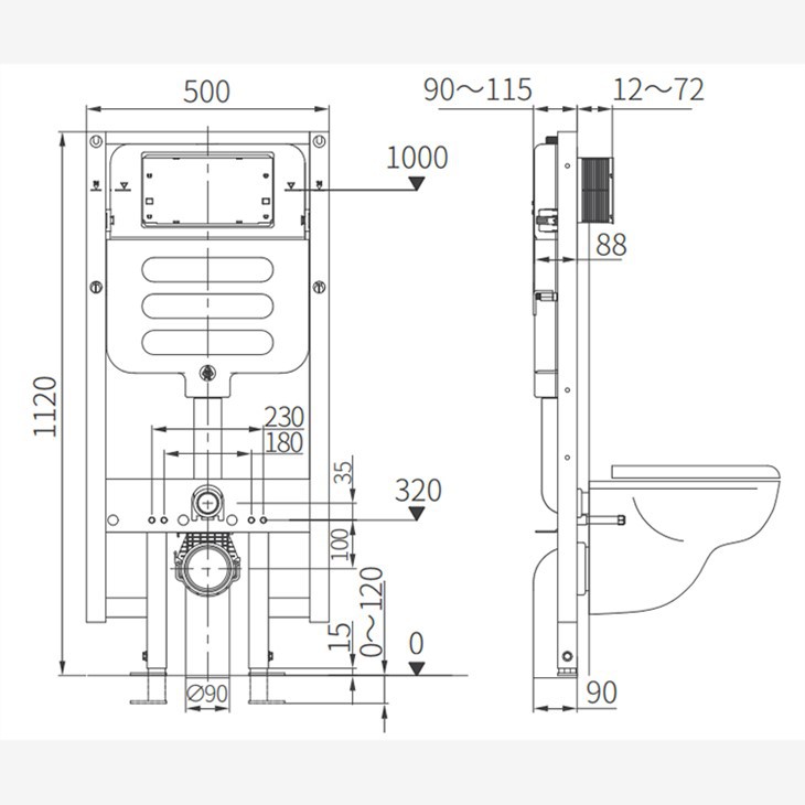
1. Độ dày của bể 88mm
2. Khoảng cách nhanh hơn 180/230mm
3. Áp lực nước: 0.03Mpa~1.2Mpa
4. Khả năng chịu áp lực: 2Mpa
5. Vị trí đầu vào nước tùy chọn: Trên / Sau
6. Khung chịu lực 400Kg

thông số kỹ thuật
| Mục KHÔNG.: | BW336-F03 | |
| Kích cỡ: | Chiều cao 1120mm; Độ dày của bể chứa 88mm | |
| Ứng dụng: | Đối với bồn cầu treo tường, khoảng cách nhanh hơn là 180/230mm | |
| Van xả kép có thể điều chỉnh: | Cài đặt gốc: 6,5L-3.0L, 4,5L-2.0L | |
| đóng gói: | Hộp màu nâu | |
| áp lực nước: | 0.03Mpa~1.2Mpa | |
hiển thị chi tiết bể xả mỏng
bể chứa nước
• Chất liệu nhựa HDPE
• Đúc thổi một mảnh
Được bao phủ bởi bọt, bề mặt của bể chứa kín được ngăn chặn sự ngưng tụ

Bảng điều khiển nút nhấn
• Nhiều lựa chọn về kiểu dáng & màu sắc
• Có sẵn các chức năng cơ khí, khí nén và điện tử

Ứng dụng
- Để lắp đặt vách thạch cao hoặc tường đặc
- Đối với bồn cầu treo tường, khoảng cách nhanh hơn là 180/230mm
- Đối với kết cấu sàn 0~120mm
- Đối với truyền động phía trước

Điều gì làm cho một bể xả mỏng trở thành một lựa chọn sáng suốt cho phòng tắm của bạn?
Hãy khám phá một số lợi ích chi tiết hơn.
Sử dụng nước hiệu quả
Một trong những ưu điểm lớn nhất của bể xả mỏng là nó thường sử dụng ít nước hơn so với bể truyền thống. Điều này là do một vài yếu tố. Thứ nhất, thiết kế hẹp có nghĩa là bể chứa ít nước hơn về tổng thể. Ngoài ra, nhiều bể chứa mỏng hiện nay có các tùy chọn xả kép, cho phép bạn chọn giữa xả toàn bộ cho chất rắn hoặc xả một phần cho chất lỏng. Điều này không chỉ thân thiện với môi trường hơn mà còn có thể giúp bạn tiết kiệm tiền trên hóa đơn tiền nước theo thời gian.
Kiểu dáng đẹp
Một lợi ích quan trọng khác của một bể xả mỏng là nó có thể tăng thêm vẻ bóng bẩy và hiện đại cho phòng tắm của bạn. Những bể chứa này thường có phong cách và lớp hoàn thiện hiện đại, chẳng hạn như mạ crôm hoặc kim loại chải. Đây có thể là một cách tuyệt vời để cập nhật một phòng tắm cũ hoặc tạo ra một thẩm mỹ tối giản, phong cách.
Dễ dàng cài đặt
Cuối cùng, một bể xả xả mỏng có thể lắp đặt đơn giản hơn so với các mẫu lớn hơn. Điều này là do nó không yêu cầu nhiều không gian tường hoặc cốt thép. Ngoài ra, hiện nay nhiều bể chứa có các nút tháo nhanh cho phép bạn dễ dàng tháo bể để bảo trì hoặc sửa chữa.
Chú phổ biến: bể xả nước mỏng, nhà cung cấp, nhà sản xuất, nhà máy, bán buôn, nhà sản xuất, công ty









